Acil durum plan çizimi
Acil durum plan çizimi, işletmelerde olası yangın, doğal afet, kaza veya diğer acil durumlara karşı hızlı ve güvenli bir müdahale sağlamak amacıyla hazırlanır.
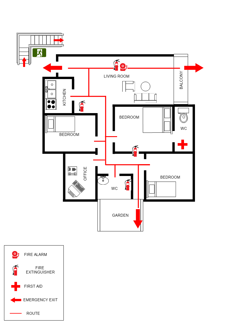
İşletmelerde olası yangın, doğal afet, kaza veya diğer acil durumlara karşı hızlı ve güvenli müdahaleyi sağlamak amacıyla hazırlanan acil durum planları, çalışan güvenliğinin en önemli unsurlarından biridir. Bu planlar; tahliye yolları, toplanma alanları, acil ekipman kullanımı ve sorumluluk dağılımını net bir şekilde göstererek müdahale süresini kısaltır ve olası riskleri minimize eder.
Acil durum planlarının hazırlanması ve uygulanması, 6331 Sayılı İş Sağlığı ve Güvenliği Kanunu ile İş Sağlığı ve Güvenliği Yönetmeliği kapsamında zorunludur. Ayrıca TS EN ISO 22320 ve ilgili ulusal/uluslararası standartlar, acil durum yönetimi ve planlamasının etkin bir şekilde yürütülmesi için gerekli kriterleri belirler.
Planlar, düzenli olarak güncellenir, tatbikatlarla desteklenir ve işletmelerin hem can güvenliğini hem de sürdürülebilir ve düzenli işleyişini güvence altına alır. Profesyonel bir acil durum planı, işletmelerin risklere karşı hazırlıklı olmasını sağlar ve güvenli çalışma ortamının temel taşlarından biri olarak hizmet verir.
Bilgi ve Danışmanlık
Bu hizmet hakkında detaylı bilgi almak ve danışmanlık için bizimle iletişime geçin.